
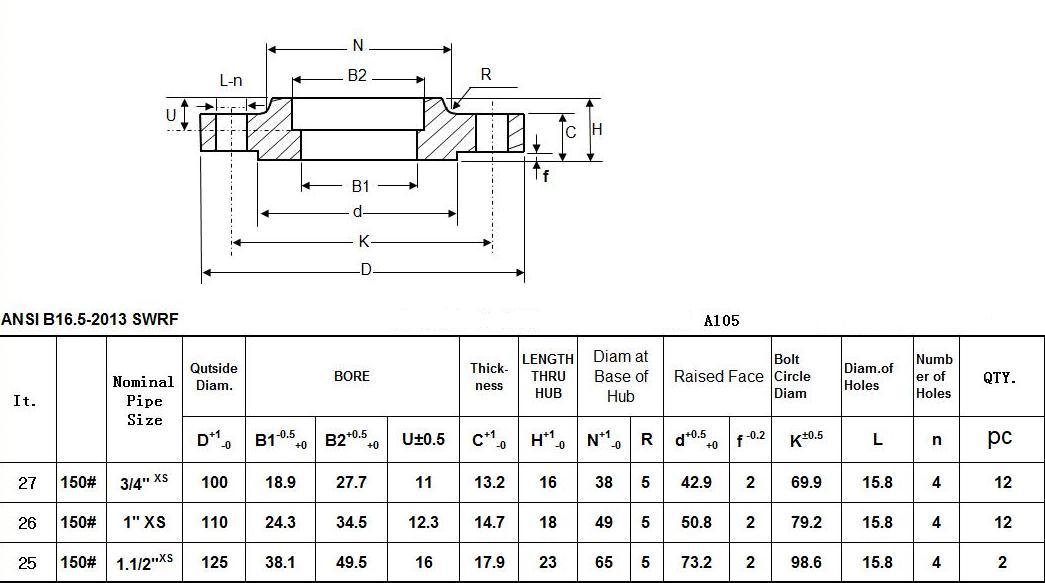
Socket weld flanges provide a compact alternative to traditional weld neck flanges, allowing for a secure connection with minimal space requirements. These flanges feature a socket in the center, which allows for a clean and efficient weld of the pipe into the socket.

The basic shape of the socket weld flange is similar to that of the Slip-on flange. It has a socket hole on the inner bore of the flange, into which the pipe is inserted and welded. To prevent corrosion caused by gaps between the socket weld flange and the pipe, a weldline can be added on the back of the flange. The socket weld flange welded on both inner and outer sides has a 5% higher fatigue strength than the SO flange, while the static strength is the same. When using this type of socket weld flange, its inner diameter should be consistent with the inner diameter of the pipe. The socket weld flange is only suitable for pipes with below ND150.