

A blind flange is a solid steel component that lacks an internal diameter, and is primarily utilized to seal off the end of a pipe connection. In most cases, flange connections permit the passage of fluid or air via an internal opening; however, blind flanges serve as a precise termination point for the ends of pipe connections or as a means of diverting the medium towards another portion of the pipe assembly. Blind flanges are recommended when a pipeline necessitates future modifications, such as the installation of a valve or fitting to redirect the flow.

The production processes in petrochemical industry have strong continuity, with closely interconnected equipment and pipelines. Although various valves are installed to control the flow, these valves are subject to erosion and chemical corrosion from the internal media over a long period of time, which greatly reduces their sealing performance and may result in leakage. Therefore, when repairing equipment or pipelines, it is often unreliable to isolate the production system solely by closing valves. In such cases, blind flanges are the most effective isolation method.
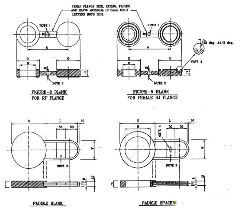
Spectacle Blind or Figure 8 Blind


公安备案号:冀公网安备 1309020200052